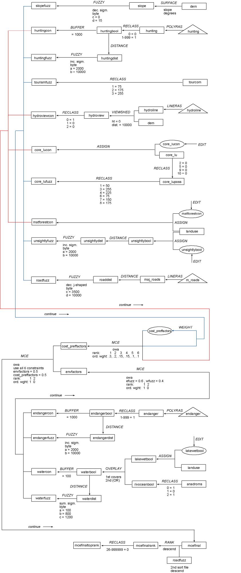
Site Determination for an Eco-tourism Resort on Vancouver Island

 

METHODOLOGY -- Cartographic Model
 


 


BACK      INDEX      NEXT