coding Icon

Digital circuit Design
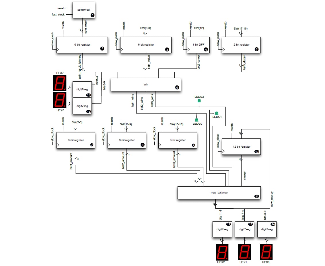
Designed circuitry based on requirements and wrote VHDL hardware language to build a system with finite state machine and data path to implement a Roulette game engine in the DE2-115 board;
Built test bench using VHDL language to test system accuracy by Modelsim simulation tool;
Compiled system in Quartus then connected circuits’ inputs outputs with DE2-115 board pins, displayed Roulette game on the board by using switch to set original money and digital screen to show the balance;
coding Icon



coding Icon

Implemented a master for a simple bus interface and bit manipulation instructions for a processor that executes the RISCV instruction set;
Wrote VHDL to complete the Avalon Master that work with processor load/store unit and processing data exchange with processor;
Increased the performance of the processor by using pipelining to separate different functionality.